股票配资学习平台-加杠杆的钱从哪里来-【东方资本】,杠杆交易协议,每日股票精选公众号,炒股票犯法吗

Z-EFG-C65

首頁 / 電動夾爪 / Z-EFG-C65
  • 斷電自鎖,夾持掉落檢測、區域輸出功能
  • 力、位、速度都可以通過Modbus精準控制
  • 長壽命:千萬次循環,超越氣爪
  • 控制器內置:占用空間小,方便集成
  • 控制方式:485 (Modbus RTU)、I/O
  • 斷電自鎖,夾持掉落檢測、區域輸出功能
  • 力、位、速度都可以通過Modbus精準控制
  • 長壽命:千萬次循環,超越氣爪
  • 控制器內置:占用空間小,方便集成
  • 控制方式:485 (Modbus RTU)、I/O

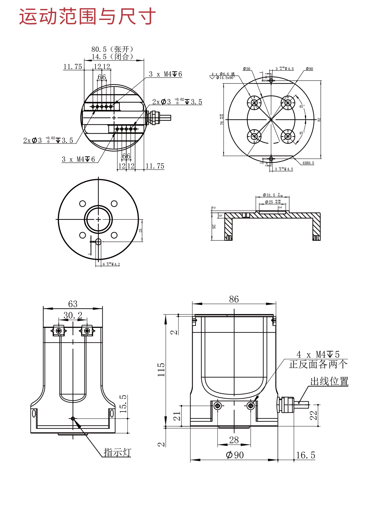
Z-EFG-C65 核心參數

產品型號 Z-EFG-C65
總行程 65mm(可調)
夾持力 60-300N(可調)
重復定位精度 ±0.03mm
推薦夾持重量 ≤6kg
傳動方式 精密行星減速機+滾珠導軌
控制方式 485(Modbus RTU)、I/O
單向行程運動最短時間 0.7s
運動方式 二指平動
重量 1.65kg
尺寸規格 90*90*115mm
工作電壓 DC24V±10%
額定電流 0.8A
峰值電流 2A
功率 20W
防護等級 IP67
電機類型 伺服電機
使用溫度范圍 5~55℃
使用濕度范圍 35~80%RH(不結霜)
出線規格 線長2m,12芯線

備注:由于產品不斷推新迭代,產品參數如有變更,恕不另行通知。

產品詳情

相關產品