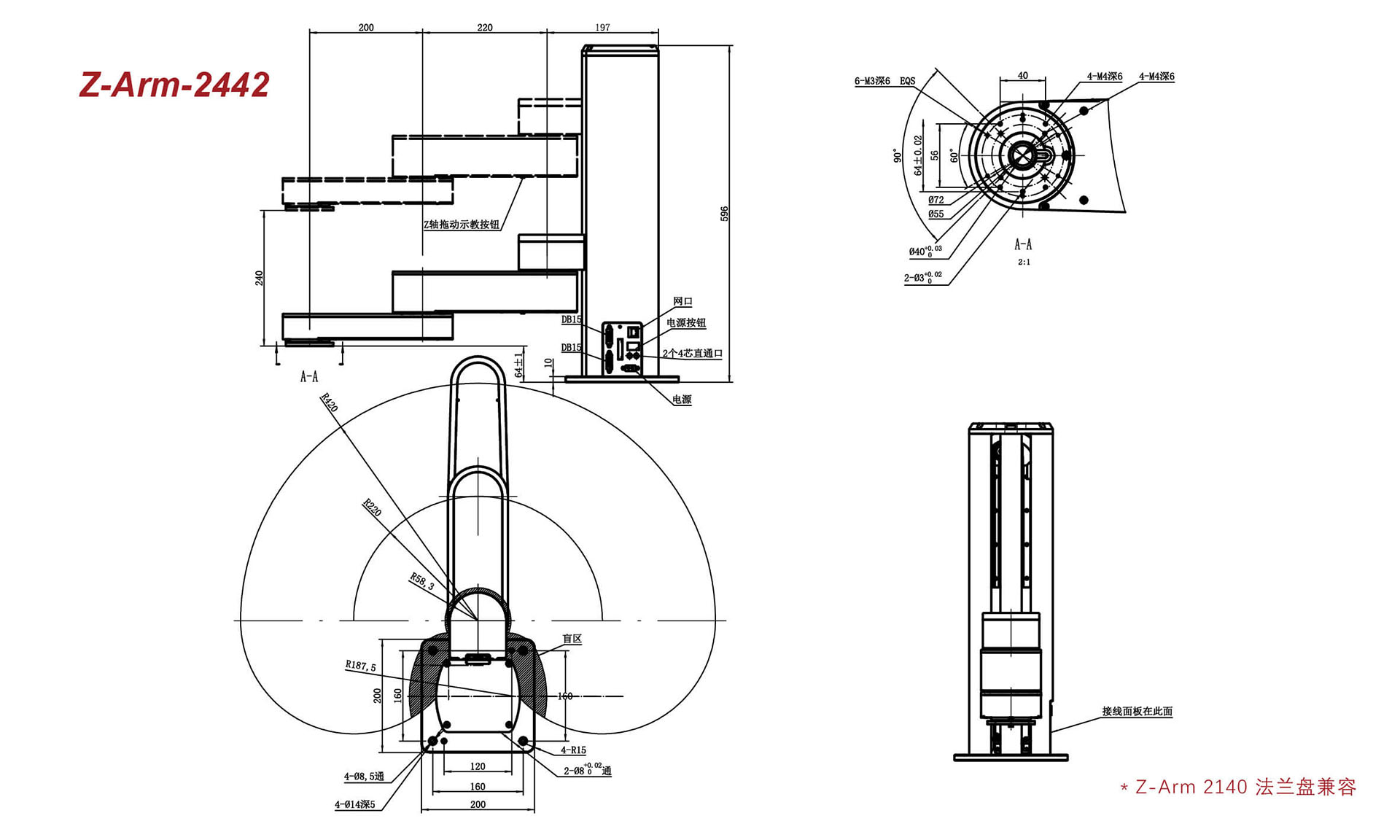
| 1軸臂長 |
220mm |
| 1軸旋轉角度 |
±90° |
| 2軸臂長 |
200mm |
| 2軸旋轉角度 |
±164°(選配:15°~345°) |
| Z軸行程 |
240(高度可定制) |
| R軸旋轉范圍 |
±1080°無機械限位 / ±170°有機械限位 |
| 線速度 |
1220mm/s(負載2kg) |
| 重復定位精度 |
±0.03mm |
| 標準負載 |
2kg |
| 最大負載 |
3kg |
| 自由度 |
4 |
| 電源 |
額定功率:500W;輸入電壓110-220V(50-60HZ);輸出電壓:DC 24V |
| 通訊 |
Ethernet |
| Z軸可以定制高度 |
0.1m~1m |
| 電器預留接口 |
標配:插座面板直通小臂下蓋板2根4*23awg(無屏蔽層)線
可選配:插座面板直通法蘭2根φ4氣管 |
| 使用環境型 |
溫度:0~45℃ 濕度:20~80%RH(不結霜) |
| I/O口 數字量輸入(隔離) |
9+3+小臂擴展(8進8出;夾爪專用端口:脈沖或485) |
| I/O口 數字量輸出(隔離) |
9+3+小臂擴展(8進8出;夾爪專用端口:脈沖或485) |
| I/O口 模擬量輸入(4-20mA) |
/ |
| I/O口 模擬量輸出(4-20mA) |
/ |
| 整機高度 |
596mm |
| 主機重量 |
240mm行程裸機重量約19kg |
| 底座外形尺寸 |
200*200*10mm |
| 底座固定孔位間距 |
160*160mm配四個M8*20螺絲 |
| 碰撞檢測 |
√ |
| 拖動示教 |
√ |
| 硬急停 |
√ |
| 調試/在線升級(USB口) |
√ |
| 出線規格 |
AC線&DC線:2米、不能走拖鏈 |
| 節拍時間 |
2.066s |
備注:由于產品不斷推新迭代,產品參數如有變更,恕不另行通知。