股票配资学习平台-加杠杆的钱从哪里来-【东方资本】,杠杆交易协议,每日股票精选公众号,炒股票犯法吗

Z-EFG-50PECT

首頁 / 電動夾爪 / Z-EFG-50PECT
  • 夾持掉落檢測、區域輸出功能
  • 力、位、速度都可以通過Modbus精準控制
  • 長壽命:千萬次循環,超越氣爪
  • 控制器外置:可串聯控制,方便集成
  • 不占用PLC軸位
  • 夾持掉落檢測、區域輸出功能
  • 力、位、速度都可以通過Modbus精準控制
  • 長壽命:千萬次循環,超越氣爪
  • 控制器外置:可串聯控制,方便集成
  • 不占用PLC軸位

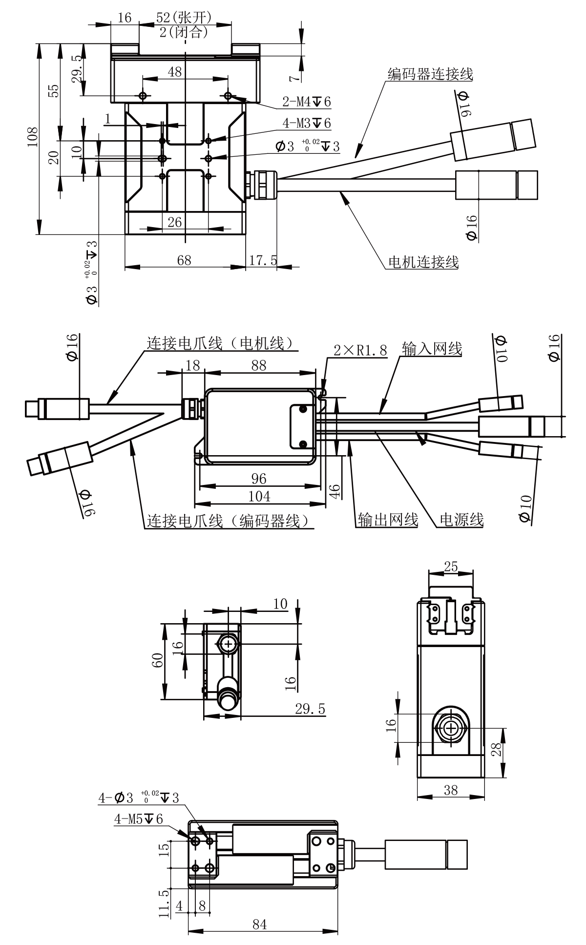
Z-EFG-50PECT 核心參數

產品型號 Z-EFG-50PECT
總行程 50mm(可調)
夾持力 15-50N(可調)
重復定位精度 ±0.02mm
推薦夾持重量 ≤0.5kg
傳動方式 齒輪齒條+鋼珠導軌
控制方式 Ether CAT(外置驅動,不占用PLC軸位)
單向行程運動最短時間 0.3s
運動方式 二指平動
重量 1kg
尺寸規格 84*38*108mm
工作電壓 24V±10%
額定電流 0.5A
峰值電流 2A
功率 12W
防護等級 IP40
電機類型 伺服電機
使用溫度范圍 5~55℃
使用濕度范圍 35~80%RH(不結霜)
出線規格 本體線長2m,編碼器8芯線、電源5芯線

備注:由于產品不斷推新迭代,產品參數如有變更,恕不另行通知。

產品詳情

相關產品